FUTEK LSB205 微型力傳感器
類型:微型
型號:LSB205
行業:流體速度截流測量、醫療袋稱重、組合秤、DNA合成、醫療設備性能測試
型號:LSB205
行業:流體速度截流測量、醫療袋稱重、組合秤、DNA合成、醫療設備性能測試
















| 量程 | 2.5,4.5,8.9,22.2,44.5,111,222,445 N |
| 非線性 | ±0.1% of RO |
| 遲滯性 | ±0.1% of RO |
| 不可重復性 | ±0.05% of RO |
| 額定輸出 | 1 mV/V nom(2.5 N) |
| 2 mV/V nom(4.5~445 N) | |
| 激勵 | 10(VDC or VAC) |
| 橋路電阻 | 350 Ohm nom |
| 絕緣電阻 | ≥500 MOhm @ 50 VDC |
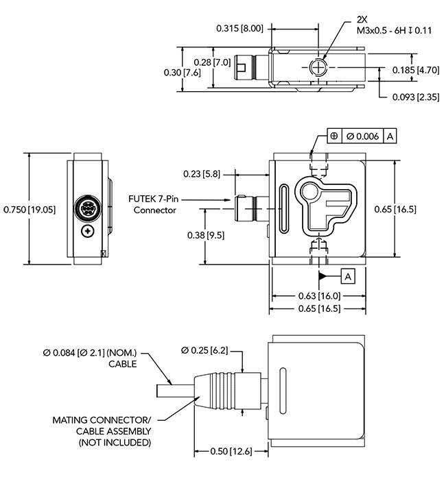
| 連接 | FUTEK 7針插頭 |
| 重量 | 9 g |
| 過載保護 | 1000% of RO(1.4~111 N) |
| 150% of RO(222,445 N) | |
| 材質 | 不銹鋼 |
| 防護等級 | IP40 |
| 操作溫度 | -50 to +93 ℃ |
| 補償溫度 | 15 to +72 ℃ |
| 溫度漂移零點 | 0.009% of RO/℃ |
| 溫度漂移范圍 | 0.009% of Load/℃ |
| 標定電壓 | 5 VDC |




電話020-85262155
郵箱sales@omgl.com.cn