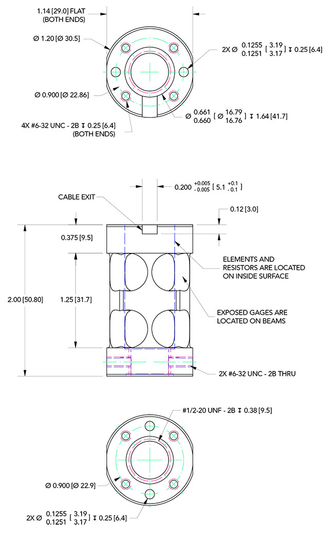
FUTEK TFF325 法蘭式靜態扭矩傳感器
類型:靜態
型號:TFF325
行業:雪鞋測試、電阻點焊、軟管膨脹壓力測量
型號:TFF325
行業:雪鞋測試、電阻點焊、軟管膨脹壓力測量




| 量程 | 0.14,0.35,1.36,5.65,11.3 N |
| 非線性 | ±0.2% of RO |
| 遲滯性 | ±0.2% of RO |
| 不可重復性 | ±0.05% of RO |
| 額定輸出 | 2 mV/V |
| 激勵 | 18(VDC or VAC) |
| 橋路電阻 | 1000 Ohm nom |
| 連接 | # 29 AWG,4導體,螺旋特氟龍電纜,152.4毫米長 |
| 重量 | 65.2 g |
| 過載保護 | 150% of RO |
| 材質 | 鋁合金 |
| 防護等級 | IP00 |
| 操作溫度 | -50 to +93 ℃ |
| 補償溫度 | 15 to +72 ℃ |
| 溫度漂移零點 | 0.0036% of RO/℃ |
| 溫度漂移范圍 | 0.0036% of Load/℃ |
| 標定電壓 | 10 VDC |




電話020-85262155
郵箱sales@omgl.com.cn